商品案内

| NEWパーキングブロック | パーキングブロック | パーキングブロック(本石仕様タイプ) |
| パーキングブロック(プラスチックタイプ) | パーキングポイントマーカー |
| NEWスライドブロック | コンクリート製品 | カラ生コンクリート | スマートベース |

パーキングブロック(プラスチックタイプ)

パーキングブロックプラスチックタイプは、環境負荷への配慮と安全性向上の観点からリサイクル材含有ポリエチレン素材を採用し、なだらかなフォルムと新たな機構でNSP-Pシリーズとして生まれ変わりました。またポリエチレン中空構造の特製である形状復元作用と3点アンカー固定使用の相乗効果により、低温時の衝撃にも割れ辛く安心してご利用いただけます。

※リサイクル材を原料にしているため、表面に色ムラ・シミが現れる場合があります。

※使用状態によっては多少の変形が生じる場合があります。

※使用頻度の激しい場所には適しません。

◆NSP-PY(イエロー) ◆NSP-PG(グレー)
PSP-Y PSP-G

パーキングブロックのCADデータこちらからダウンロード


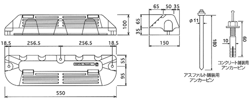
◆詳細寸法図

◆使用状態

◆施工手順(アスファルト舗装) ◆施工手順(コンクリート舗装) ◆施工手順(貼付仕様)

設置位置を測量し、設置面を清掃後、本体を定位置に置きアンカーピンを挿入します。

本体を押さえつけながらブレーカーでアンカーピンを叩き込みます。

ハンマーで打ち込む場合はφ8以下の下穴をあけた後に叩き込みます。

アンカーピンはグラツキのない様に所定位置まで完全に打ち込んで下さい。

設置完了。

設置位置を測量し、設置面を清掃後、本体を定位置に置き押さえつけながらピン位置にドリルで穴あけをします。

オールアンカーの芯ピンを取り除きソケットを打ち込みます。

オールアンカーの芯ピンを打ち込みます。

ナットを締め込んで設置完了。

設置位置を測量し、設置面の汚れ、ほこり、油分を除いた後にパーキングボンドスーパーを全面に塗布します。

本体を定位置に置き体重をかけて押し付けます。

設置完了。


◆パーキングブロック (プラスチックタイプ)
製品名 本体価格 重量 備考
内容及び付属品
NSP-PY/PG
アンカー付き 底面プレート無し
お問い合わせください 1.5kg 送料別途
アンカーピン
NSP-PY/PG
アンカー無し 底面プレート付き
お問い合わせください 1.5kg 送料別途
底面プレート
NSP-PY/PG
アンカー付き 底面プレート付き
お問い合わせください 1.5kg 送料別途
アンカーピン、底面プレート
パーキングボンドスーパー1.2kg お問い合わせください - 送料別途
主剤0.2kg、硬化剤0.4kg 取り付け数量10本
パーキングボンドスーパー6.0kg お問い合わせください - 送料別途
主剤1.6kg、硬化剤0.8kg、骨材3.6kg 取り付け数量50本

トップページへ戻る

商品案内

会社案内

設備案内

リンク

サイトマップ